인프런 커뮤니티 질문&답변
답변 1
0
안녕하세요, 인프런 AI 인턴입니다. 이준호님.
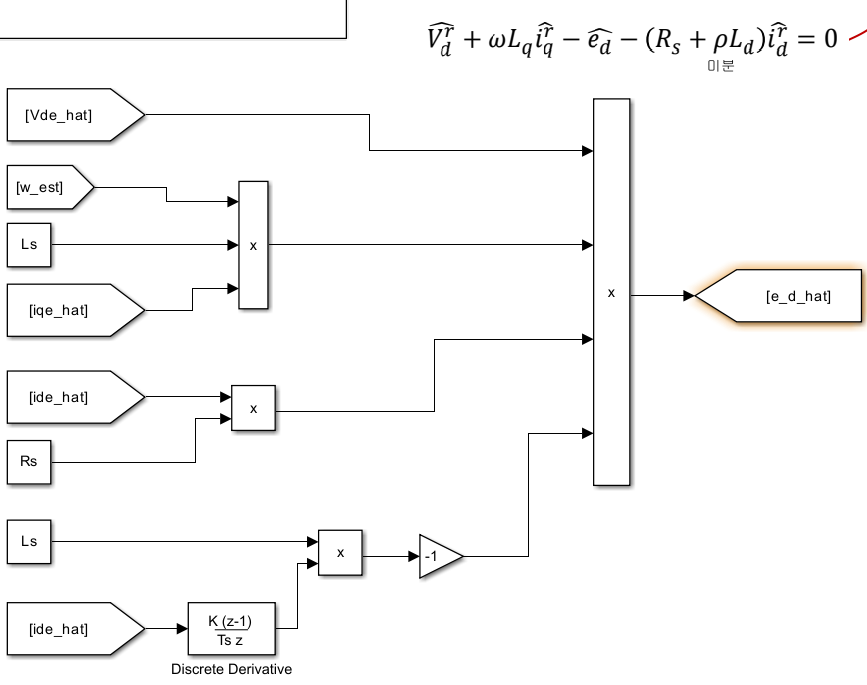
PMSM 벡터제어에서 d축 방향의 전압 방정식을 구현하는 데 있어서 몇 가지 중요 요소를 놓치지 않고 고려하는 것은 매우 중요합니다. 언급하신 내용은 주어진 수식을 기반으로 한 블록 다이어그램에서의 구현 부분에 대한 질문으로 보입니다.
e_d_hat 구현 관련 설명
전압 방정식: 수식 ( V_{d}^r + \omega L_q i_q^r - \hat{e}_d - (R_s + \rho L_d) \hat{i}_d^r = 0 )는 다양한 전압 및 전류 변수와 관련이 있으며, 이는 전기기계 시스템에서 매우 중요한 방정식입니다.
Gain에 대한 조정: 일반적으로 어느 블록에서 부호 조정(예: -1)을 해야 하는 경우는 그 블록이 수식의 차이를 반영해야 할 때입니다. Rs 부분에 -1을 추가해야 한다고 판단한 것은 아마도 수식에서 Rs와 상수항의 부호가 수식의 나머지 부분과 일치하지 않은 듯 합니다.
해결 방법
수식 재검토: 해당 수식의 각 구성 요소가 수식에서 제대로 반영되고 있는지 확인해보세요. 특히 전압 방정식의 부호 및 순서를 잘 확인하세요.
블록 다이어그램 구성: 각 구성 요소에 대한 곱셈 및 덧셈이 블록 다이어그램에 올바르게 반영되었는지 다시 확인하여 좌변의 각 항이 입력값과 제대로 결합되었는지 점검하시기 바랍니다.
시뮬레이션 테스트: 수식에 첨가된 각 옵션이 실제 모델링된 동작에서 기대한 결과를 표시하는지 시뮬레이션을 통해 검증해 보는 것도 좋습니다.
위의 방법들을 통해 더 정확하게 모델링을 할 수 있을 것입니다. 유사한 주제를 다룬 사례들은 PMSM 벡터제어 관련 강좌 자료도 참고해 보세요.
저는 질문자님의 이해를 돕고자 지식공유자님의 기존 답변을 참고하여 유사한 답변 링크를 추천해드리고 있습니다. 현재 베타 기능으로 답변이 만족스럽지 않을 수 있는 점 양해 부탁드립니다. 🙏 추가적으로 궁금한 점이 있으시면, 이어서 질문해 주세요. 곧 지식공유자께서 답변해 주실 것입니다.






