인프런 커뮤니티 질문&답변
기본적인 질문 하나만 더 드리겠습니다. (arty a7 - 35 FPGA 1장 따라하면서..?)
해결된 질문
작성
·
479
2
마침 깨어있어서 답글을 달았는데, 지우셨네요. ㅎ
기왕 쓴김에 올려드립니다.
Q =======================================================
안녕하세요 맛비님. 공부중 막히는 부분이 있어서 질문을 드립니다.
저는 학교에서 대여받은 보드를 가지고 공부를 하고 있는데, 그래서 강의와 다른 arty a7 - 35 보드를 사용중입니다. 영상 설명에 보드가 달라 생기는 문제는 책임지지 않으신다고 명시하셨지만 한번만 도와주시면 감사하겠습니다.
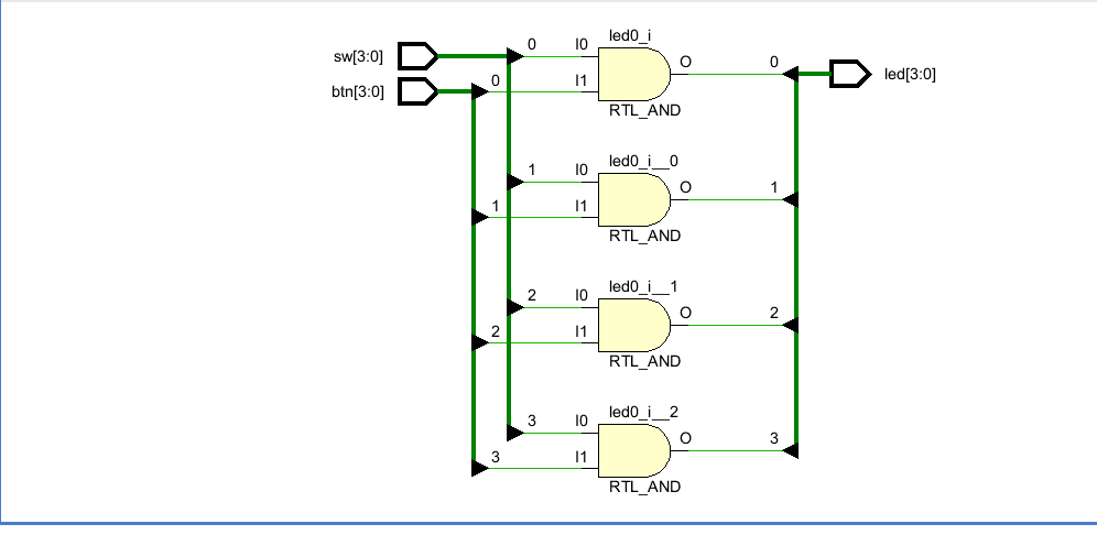
강의 1장에서 DUT와 tb,그리고 constraint 파일인 .xdc 파일을 올리는 과정입니다. 저는 사용중인 보드가 다르기 때문에, 인터넷에서 Arty-A7-35-Master.XDC 파일을 대신 찾아 올렸습니다.
RTL schmetic은 잘 생성되지만
비트스트림 파일을 만드려고 하면 다음과 같이 오류 메세지가 생기며 합성이 되지 않습니다,
input output standard 부분에서 문제가 있다고 하는데, 개인적으로 공부해 해결해보려고 했지만, 해결하지 못해 질문 올렸습니다.
감사합니다.
A =======================================================
안녕하세요 :)
여기 앞에 # 보이시죠? 이것은 Comments 처리 입니다. 즉 동작을 하지 않죠.
# 지워주시구요. Top 모듈의 Port 이름하고 xdc 의 Port 이름을 꼭 matching 시켜주세요. :)






친절하게 답변 달아주셔서 감사합니다. 혼자 공부하다가 해결해서 지웠던 글인데 맛비님도 보고 계셨네요. 절대로! 답변만 보고 글 지운게 아닙니다ㅠㅠ
적어도 한두시간 이상은 찾아보고, 못 찾는 내용만 질문으로 올리는데, 꼭 공부할땐 안 보이다가 질문글 다 쓴 뒤에 해결방법이 보이더라구요.
감사합니다!