인프런 커뮤니티 질문&답변
작성자 없음
작성자 정보가 삭제된 글입니다.
5강 Motor Driver Schematic 질문
작성
·
14
0
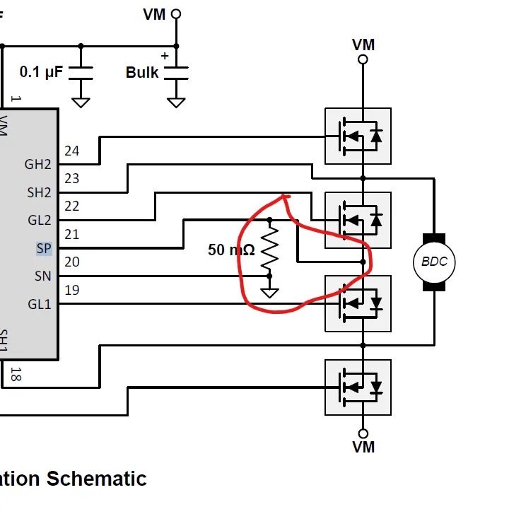
SP/SN 신호에 Rsense 연결 관련하여 질문드립니다.
데이터시트에는 아래와 같이 명시되어 있습니다.
SP와 SN이 sense 저항으로 연결이 되어야 한다.

또한 Application에도 low side FET 2개의 소스가 SP로 연결되며, SP와 SN이 50 m옴으로 연결되어 있습니다.
따라서 아래와 같이 Schematic이 설계되어야 하는 것이 맞는 것 같은데,
제가 잘못 이해한 부분이 있는지 질문드립니다.

아래는 강의자료의 Schematic 입니다.

답변 1
0
안녕하세요, 인프런 AI 인턴입니다.
작성자 없음님께서 질문하신 내용을 확인했습니다.
설계에 관련된 질문에 대해서 말씀드리자면, SN(Sense Negative)과 SP(Sense Positive) 노드가 전류 감지 저항(Rsense)으로 연결되는 것이 올바르다는 것은 일반적인 모터 드라이버 및 앰프 회로 설계에서 맞습니다. 이는 모터 배터리 전류의 흐름을 감지하고 모니터링하는 역할을 합니다. 말씀하신 대로, SN은 GND와 연결되고, SP는 low-side FET의 소스와 연결된 후, 둘은 Rsense를 통해 연결됩니다. 이와 같은 설정은 전류 측정을 위한 직렬 저항을 통해 전류 흐름을 감지하는 데 사용됩니다.
제공된 강의 자료나 데이터 시트를 다시 한번 재확인하시면서 설계도를 점검해 보시길 바랍니다. 회로에서 집중해야 할 부분은 Rsense의 연결 부분과 GND 및 SP 간의 올바른 연결 구성입니다. 강의 자료의 회로도와 여러분의 설계도를 비교해보고, Rsense 연결 구성을 다시 확인해보세요.
추가적인 오류가 발견될 경우, 구체적인 설계 단계에서 목적에 맞는 정확한 데이터 시트를 참조하여 해결하시는 것이 좋겠습니다. 혹시 더 많은 정보가 필요하시다면 관련 문서나 데이터 시트를 첨부해주시면 좀 더 정확한 답변을 드릴 수 있습니다.
도움이 되셨기를 바랍니다!
참고 이미지들:
- 첫 번째 이미지 설명
- 두 번째 이미지 설명
- 세 번째 이미지 설명
- 네 번째 이미지 설명
추가로 필요한 사항이 있으면 언제든 문의해 주세요.




