[인프런 워밍업 클럽 4기 - CS] - 2주차 미션 (컴퓨터 구조)
11개월 전
문제
다음 파일의 모든 연결을 터널로 대체해보세요.(회로 이미지와 .circ파일 첨부)

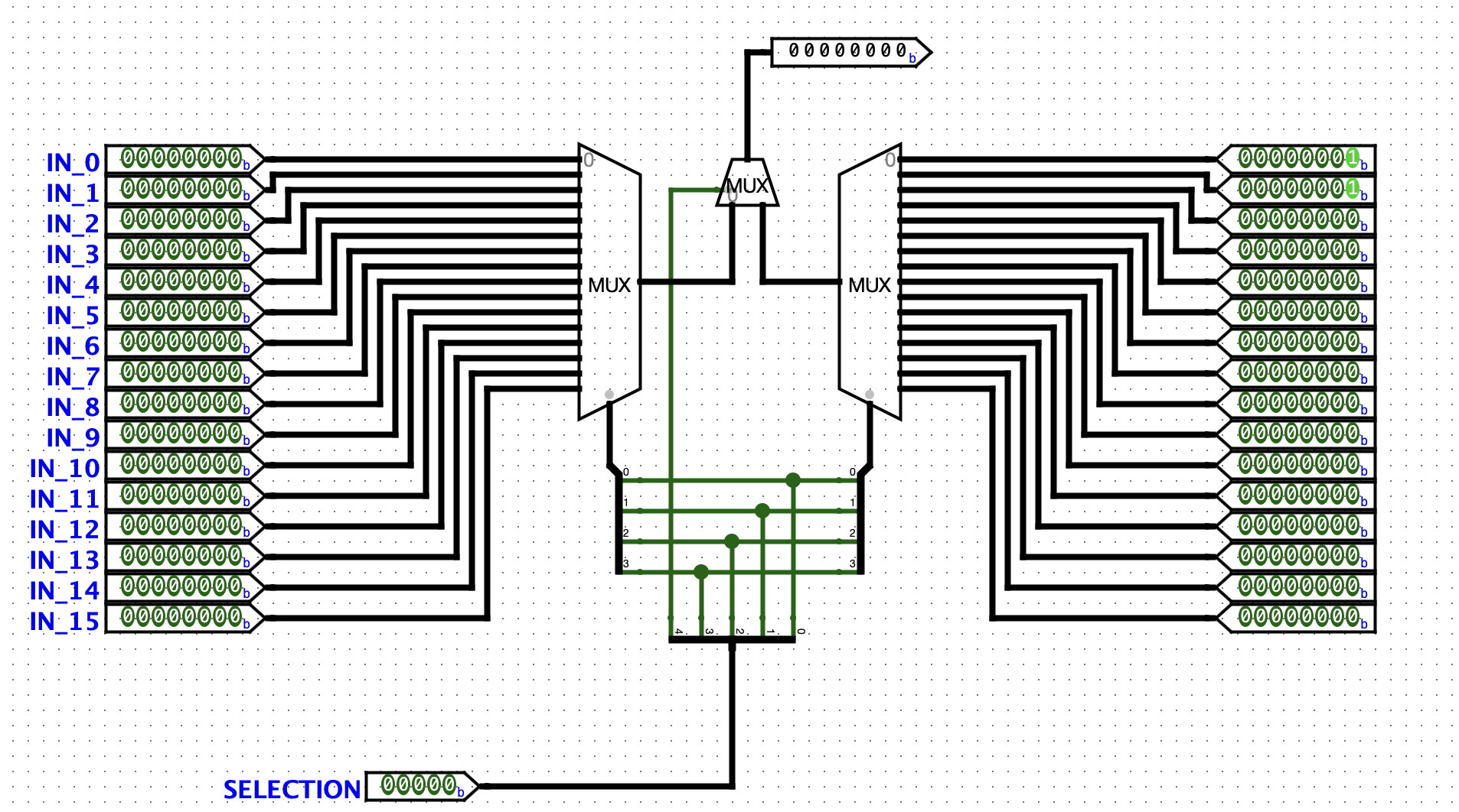
8비트 32입력 MUX를 제작해보세요.(회로 이미지와 .circ파일 첨부)

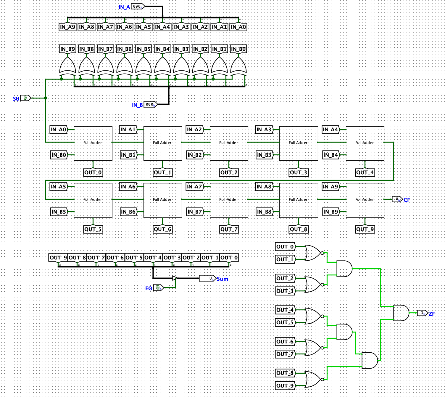
3. 10비트 입력 두 개(A, B)를 계산하는 ALU 만들어보세요.(회로 이미지와 .circ파일 첨부),

32바이트 RAM을 만들어보세요. 디코더와 MUX는 logisim 기본 내장된 걸 사용해도 좋습니다.(회로 이미지와 .circ파일 첨부)

후기
어째서인지 맥북에서는 .circ 파일을 열 수가 없다. 연결할 응용프로그램을 logisim으로 연결할 수도 없고 logisim에서 파일을 찾아올 수가 없다.. 그래서 결국 새로운 logisim 파일을 열어서 기존 작업된 circ를 텍스트 파일로 열어서 해당 데이터를 새로운 circ 파일에 덮어써서 파일을 열어가며 작업했던 것 같다.. 그리고 가끔가다 작업했던 circuit 파일들도 사라져서 동일한 미션을 다시 만들기도 하였다 😃
그럼에도 여러번 만들면서 익숙해지다보니 확실히 강의에서만 듣고 이해하는 것보다 더 체감이 되는 것 같고 학습했던 내용에 대해 머리 속에 더 깊숙히 남아있는 것 같다. 특히 레지스터와 RAM과 같은 경우에는 어떤 역할을 하고 있는 지에 대해서만 알고 있었던 과거와는 달리, 직접 구현해보며 내부적으로 어떻게 동작하는 지 혹은 각각의 부품들이 어떤 관계를 갖고 있는 지 자세히 알 수 있어서 인상깊은 과제였다.
댓글을 작성해보세요.